| 产品标题:EAD-402-02,EASUN亿日气动自动排水器 产品ID:VIB20121008224936734 品 牌:EASUN亿日 所在地:中国 上海 价 格:面议 (大量采购价格面议) 库存状态:货期待查 更新日期:2025-3-19 10:31:57 咨询电话:(+86)021-51699285 咨询Q Q: 2695337323 |
EAD-402-02,EAD-402-03,EAD-402-04,EASUN亿日气动控制阀,气动流量控制阀,方向控制阀,easun方向控制阀,水泵控制阀,控制阀,流量控制阀,水利控制阀
|
| ||||||||||||||||||||||||
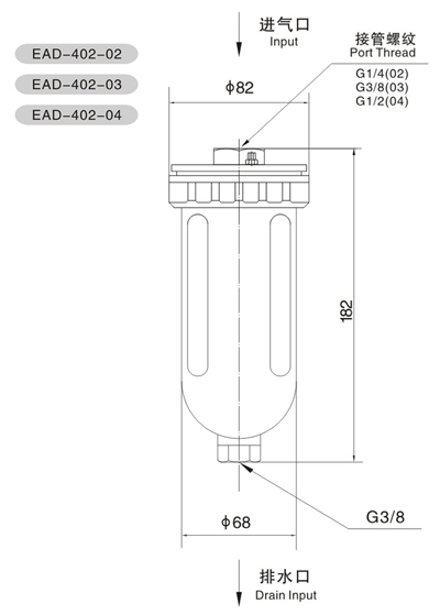
常用于自动排水除管道、冷冻式空气干燥机、油水分离器、贮气罐及各种空气过滤器底部等处的积水。可安装在不便于进行人工排放污水,用气量较大、放水次数频繁的地方。 ■ 外形与安装尺寸 | ||||||||||||||||||||||||
